陶瓷反射体近来广泛应用于激光泵浦腔中。与镀金反射体比较最大优势在于其使用寿命极长。高反射率陶瓷材料在可见光区(380nm-780nm)光谱平均反射率高达97%以上。
BAB – 外形是圆柱;
ZAB – 外形不规则;
LAK – 外形是方的但有一面是凹形;
EAB – 外形是方;
GAZ – 外形是三角形。
| 型号 | 陶瓷体长度 | 灯棒距离(灯灯距离) | 内孔高度 | 内孔长度 | 说明 |
| ZAB-S04-30 | 30 | 6 | 8 | 12 | 长方形 + 圆形 |
| ZAB-S05-30 | 30 | 7.62 | 8 | 12 | 长方形 + 圆形 |
| ZAB-S03 | 45 | 6 | 16 | 长方形 + 圆形 | |
| ZAB-S04-50 | 50 | 6 | 8 | 12 | 长方形 + 圆形 |
| ZAB-S05-50 | 50 | 7.62 | 8 | 12 | 长方形 + 圆形 |
| ZAB-S01 | 59.5 | 8 | 17 | 长方形 + 圆形 | |
| ZAB-S02 | 60 | 9 | 30 | 长方形 + 圆形 | |
| ZAB205 | 77 | 11 | 11 | 22 | 长方体,单灯单棒 |
| ZAB198 | 115 | 26 | 16 | 43 | 长方体,单灯单棒 |
| ZAB146(TCT142D) | 142 | 27 | 16 | 43 | 长方体,双灯单棒 |
| LAK283 | 48 | 11.4 | 椭圆腔,单灯单棒上下结构 | ||
| LAK306 | 48 | 11.4 | 椭圆腔,单灯单棒上下结构 | ||
| LAK317 | 48 | 11.4 | 椭圆腔,单灯单棒上下结构 | ||
| LAK396 | 70 | 12 | 21 | 椭圆腔,单灯单棒上下结构 | |
| LAK046 | 94 | 9 | 长方体,单灯单棒,上下结构 | ||
| LAK396-100 | 100 | 12 | 21 | 椭圆腔,单灯单棒上下结构 | |
| LAK396-120 | 120 | 12 | 21 | 椭圆腔,单灯单棒上下结构 | |
| LAK396-140 | 140 | 12 | 21 | 椭圆腔,单灯单棒上下结构 | |
| LAK311 | 145 | 32 | 长方体,双灯单棒,上下结构 | ||
| LAK396-150 | 150 | 12 | 21 | 椭圆腔,单灯单棒上下结构 | |
| LAK331 | 160.5 | 27.5 | 长方体,双灯单棒,上下结构 | ||
| LAK391 | 186 | 32 | 长方体,双灯单棒,上下结构 | ||
| BAB259 | 64 | 8.5 | 8 | 16.5 | 圆柱体,单灯单棒 |
| BAB373 | 71.5 | 椭圆腔 | |||
| BAB-S06-89 | 89 | 10 | 9.3 | 19.3 | 圆柱体,单灯单棒 |
| BAB-S04 | 92 | 椭圆腔 | |||
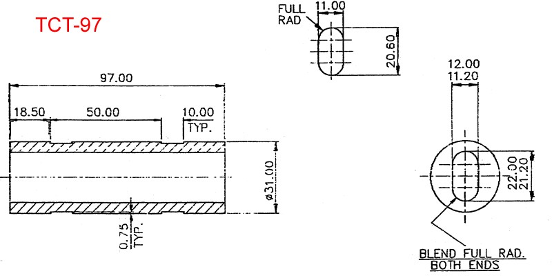
| BAB192(TCT97) | 97 | 12 | 22 | 圆柱体,单灯单棒 | |
| BAB311 | 97 | 12.7 | 15 | 27.7 | 圆柱体,单灯单棒 |
| BAB349 | 97 | 12 | 22 | 圆柱体,单灯单棒 | |
| BAB275 | 100 | 14.4 | 28.4 | 圆柱体,单灯单棒 | |
| BAB283 | 100 | 17 | 32 | 圆柱体,单灯单棒 | |
| BAB299 | 100 | 17 | 45 | 椭圆体,双灯单棒 | |
| BAB281 | 100 | 18 | 34 | 圆柱体,单灯单棒 | |
| BAB402 | 101 | 14.5 | 30 | 椭圆体,单灯单棒 | |
| BAB228 | 115 | 12 | 22 | 圆柱体,单灯单棒 | |
| BAB330(TCT117) | 117 | 12 | 22 | 圆柱体,单灯单棒 | |
| BAB275-120 | 120 | 14.4 | 28.4 | 圆柱体,单灯单棒 | |
| BAB399 | 120 | 16 | 43 | 圆柱体,双灯单棒 | |
| BAB350 | 130 | 17 | 45 | 椭圆体,双灯单棒 | |
| BAB492 | 150 | 17 | 45 | 椭圆体,双灯单棒 | |
| BAB496 | 160 | 17 | 45 | 椭圆体,双灯单棒 | |
| BAB497 | 170 | 17 | 45 | 椭圆体,双灯单棒 |
注:1)单位为mm;2)单灯单棒时,指灯棒距离,双灯单棒时,指灯灯距离。
型号说明: CRDP-XX-YY-Z-AAA-BBB
CRDP: 半导体泵浦陶瓷体
XX – 反射体内径 (mm)
YY - 反射体长度 (mm)
Z – 反射体面数,就是侧面可以放半导体巴条的数量。
AAA – 与反射体剖面相关的备注,如TRI (三角形)、CRL (圆形)、PLT (平面形)
BBB – 备注
| 型号 | 直径mm) | 长度(mm) | 说明 |
| CRDP-12-25-3-PLT | 12 | 25 | 适合侧面泵浦,360度均匀放置三组半导体激光管 |
| CRDP-12-65-3-PLT | 12 | 65 | 适合侧面泵浦,360度均匀放置三组半导体激光管 |
| CRDP-12-115-3-PLT | 12 | 115 | 适合侧面泵浦,360度均匀放置三组半导体激光管 |
| CRDP-6.07-32.26-3-TRI | 6.07 | 32.26 | 外形三角形,FF材料,360度均匀放置三组半导体激光管 |
| CRDP-12.2-67-3-TRI | 12.2 | 67 | 外形三角形,FF材料,360度均匀放置三组半导体激光管 |
| CRDP-12.2-76.3-5-CRL | 12.2 | 76.3 | 外形圆形,360度均匀放置五组半导体激光管 |
型号说明:CRIPL-XX-YY-BBB
CRIPL: 美容和光子润肤用陶瓷体
XX – 反射体内径或角度(mm/度)
YY - 反射体长度 (mm)
BBB – 备注
| 型号 | 内径或角度 (mm/度) | 长度 (mm) | 备注 |
| CRIPL-4.27/3.28-48/60 | 4.27-3.28 | 48-60 | EAB-074,圆角棱形 |
| CRIPL-23-46 | 230 46’ | 46 | LAK-404,上釉,倾斜端面,底部5孔 |
| CRIPL-19-48-5 | 190 52’ | 48 | LAK-409,上釉,底部5孔 |
| CRIPL-19-48-5G | 190 52’ | 48 | LAK283,上釉,底部5孔 |
| CRIPL-19-48-3 | 190 52’ | 48 | LAK306,未上釉,底部3孔 |
| CRIPL-19-48-3G | 190 52’ | 48 | LAK317,上釉,底部3孔 |
上面反射体是已有并且在市场上大量使用的。一般来说,反射体总是根据客户的要求订制的。请上我们的网站看反射体的机械图,以便理解其应用。如有具体要求,请联系我们。

ST系列的陶瓷反射体坯体采用99% Al2O3制成坯体,经过适当的温度烧制,以保留合适的孔隙率和适当的坯体强度。陶瓷反射体表面采用了全涂覆高反射率陶瓷全釉工艺,与镀金反射体相比,其最大优势在于使用寿命极长,反射特性为漫反射。
此陶瓷反射体是医疗和工业激光焊接的泵浦腔的一个低成本、高效率的解决方案。
主要特性:
表面全釉以取得最大反射率和易于清洗
在波长600-1000nm处反射率达97%
在400-1200nm频谱范围内反射率超过95%
坯体具有适当的多孔和高强特性
物理特性:
颜色:白色
密度:3.1g/cm3?
气孔率:22%
抗弯强度:170MPa
热膨胀系数:7.9×10-6??/С(200~500℃)
9×10-6/С(200~1000℃)
主要型号定义
STG-BAB –外形图为圆形;
STG-ZAB – 外形图不规则
STG-LAK – 上下结构(外形图为方形、长方形,但一面是凹形);
STG-EAB – 外形是长方形;
STG-GAZ – 外形是三角形。

下列图表中是我们现有的产品型号.
| 产品型号 | 长度 | 间距 | 孔高度 | 孔长度 | 备注 |
| STG-ZAB-N100 | 99.9 | 12.8 | 33.5 | 方形 + 圆形 | |
| STG-LAK-49 | 49 | 10.2 | 12 | ||
| STG-LAK-51.6 | 51.6 | 12.6 | 孔中心高度10.5mm | ||
| STG-LAK-51.6-2 | 51.6 | 10.0 | 孔中心高度10.5mm | ||
| STG-LAK-51.6-3 | 51.6 | 12.0 | 孔中心高度9mm | ||
| STG-LAK-51.6-4 | 51.6 | 15.0 | 孔中心高度11.5mm | ||
| STG-BAB-97 (=TCT-97) | 97 | 12 | 22 | 柱面形, 单灯单棒 | |
| STG-BAB-98 | 98 | 14 | 25 | 柱面形, 单灯单棒 | |
| STG-BAB-117 (=TCT-117) | 117 | 12 | 22 | 柱面形, 单灯单棒 | |
| STG-BAB-137 | 137.5 | 17.5 | 30 | 柱面形, 单灯单棒 |
我们可根据客户提供的图纸定制陶瓷反射体。如有特殊应用和具体要求,请联系我们。
常用陶瓷体尺寸列表
单灯单棒用反射体:TCT97(等同于BAB192) 和TCT117(等同于BAB330)
双灯单棒用反射体:TCT-142D(等同于ZAB146)
双灯单棒用反射体:LAK331
单灯单棒用反射体:ZAB198
单灯单棒用反射体:ZAB205
半导体泵浦模块专用陶瓷体(CRDP-32xxx系列)