QSD声光Q开关电源是针对不同的激光应用领域设计的高品质声光Q开关(Acousto-Optic Q-switch)驱动电源,它能接受外部的控制信号,产生相应的射频信号加到Q开关元件上对激光进行Q调制,使用非常方便。

技术参数
射频输出功率:≥50W,75W或100W
工作频率:27.125MHz
驻波比:≤1.2 : 1
内部设有800Hz-50KHz调制频率
具有首脉冲抑制功能
外部信号输入接口、外部频率输入接口 (TTL,外控频率可高达100kHz以上)
模块集成化结构.免焊接维修更换部件
Q头温度保护接口
内置温度保护、过流保护
数显频率表显示内频、外频
输入电压可选AC220V/AC110V.,输入功率<150W.
设备型号:QSDxxyy
QSD – QSD系列Q开关驱动器
Xx ----- 射频频率,27代表27MHz,24代表24MHz
Yy ----- 射频功率,单位W,50代表50W,75代表75W
常型号有QSD2750,QSD2775,QSD27100等。
机器外形和重量
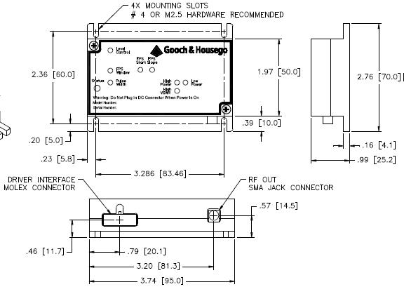
QSDxxyy系列:19英寸2U上架式机箱 (483×88×270mm,重量5.5kg)
小型紧凑的Q开关电源输出功率为50W或100W,调制输入信号可以是全数字,也可以是内部脉冲发生器启动。有四种首脉冲抑制可供选择。控制板上LED指示和TTL电平输出监视Q驱动器的运行状况。
| 型号 | MQH0XX-YYDM-ZZZ |
| 射频输出功率 | 50W 或 100W |
| 射频频率 | 24.00MHz,27.12MHz,40.68MHz,68MHz,80MHz |
| 首脉冲抑制方式 | 触发首脉冲抑制:FPS |
| 触发预脉冲抑制:PPK | |
| 射频关断模拟控制:型号R05时为0-5V | |
| 模拟调制:型号A05时为0-5V;型号A13时为2-13V | |
| 频率误差 | ± 0.02% |
| 输出匹配阻抗 | 50W |
| 射频输出下降时间 | < 100ns (典型为60ns) |
| 射频输出上升时间 | 典型250ns |
| 消光系数 | > 52dB |
| 谐波级数 | 满输出功率时 < -30dB |
| 输入电压 | 28VDC ±5% |
| 输入电流 | 射频功率50W为6.5A;射频功率100W为9.0A |
| 调制输入控制信号 | TTL (TTL 高电平无射频输出) |
| 调制频率 | 100Hz 至 100kHz |
| 内部脉冲宽度 | 1?s 至 14?s |
| 状态监视 | 电源供给,高VSWR,射频输出低,射频输出达最大,电源过热,Q开关过热 |
| 储藏温度 | -20?C 至 +85?C |
| 运行温度 | +10?C 至 +55?C |


MQCxxx-yyDC-zzz-AAV (以前的型号是R390xx-yyDMzzz-SC)
小型紧凑的Q开关电源输出功率为2W-24W,调制输入信号可以是全数字,也可以是内部脉冲发生器启动。有四种首脉冲抑制可供选择。

型号说明:QCxxx-yyDC-zzz-AAV
XXX:射频频率 (xx=24、27、41、68或80MHz)。
YY:射频输出功率 (yy=2-24,W)。
ZZZ:首脉冲抑制方式(zzz=FPS, PPK, R05, A05)。
D:D为数字调制输入;A为模拟调制输入。
C:C为M时是OEM型;C为S时是19寸标准控制盒。
AAV:输入电源直流电源,为12VDC、15VDC或24VDC,出厂时设定。
型号例子:QC041-20DC-FPS-15V,41MHz OEM型射频电源,输出20W,数字调制输入,带首脉冲抑止,要求输入直流电源15V。
| 型号 | QCxxx-yyDC-zzz-AAV |
| 射频输出功率 | 2W - 24W,出厂时设定,可调整功率+10% |
| 射频频率 | 24.00MHz,27.12MHz,40.68,68MHz 或 80MHz, ± 0.01% |
| 调制输入方式 | 触发首脉冲抑制:FPS (First Pulse Suppression) |
| 触发预脉冲抑制:PPK (Pre Pulse Kill) | |
| 射频关断模拟控制(RF off Analog Control):型号R05时为0-5V | |
| 模拟调制 (Analog Control):型号A05时为0-5V;型号A13时为2-13V | |
| 输出匹配阻抗 | 50W |
| 射频输出下降时间 | < 50ns |
| 射频输出上升时间 | < 100ns |
| 输入电压 | +12VDC、+15VDC 或 +24VDC ±5% (订货时必须选一) |
| 输入电流 | < 3A |
| 调制输入控制信号 | TTL (TTL 高电平无射频输出) |
| 调制频率 | 1Hz 至 500kHz |
| 内部脉冲宽度 | 1?s 至 20?s |
| 储藏温度 | -20?C 至 +85?C |
| 运行温度 | +10?C 至 +55?C |
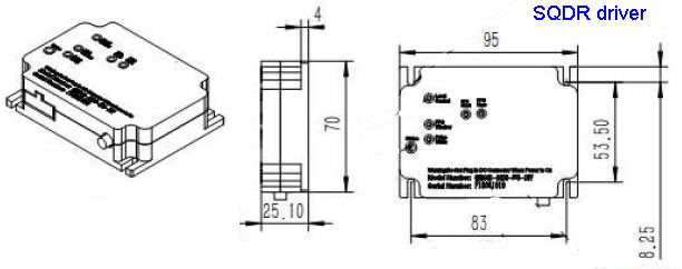
| 外形尺寸 | 95x60x25mm |
SQDRxxx-yyDC-zzz-AAV电源与QC0xx-yyDC-zzz电源类似,功能和外形尺寸基本一样,外形尺寸为 95x70x25mm,但价格便宜。

型号说明: SQDRxxx-yyDC-zzz-AAV
XXX:射频频率,xx=041(40.68MHz)、=68(68MHz)或=80(80MHz)。
YY:射频输出功率 (yy=2-24,W)。
ZZZ:首脉冲抑制方式(zzz=FPS, PPK, R05, A05)。
D:D为数字调制输入;A为模拟调制输入。
C:C为M时是OEM型;C为S时是19寸标准控制盒。
AAV:输入电源直流电源,为12VDC、15VDC或24VDC,出厂时设定。
型号例子:SQDR041-20DC-FPS-15V,41MHz OEM型射频电源,输出20W,数字调制输入,带首脉冲抑止,要求输入直流电源15V。
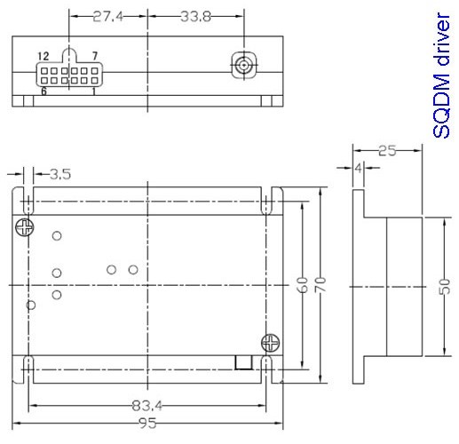
SQDMxxx-yyDC-zzz-AAV电源与QC0xx-yyDC-zzz电源类似,功能和外形尺寸基本一样,但价格便宜。

型号说明: SQDMxxx-yyDC-zzz-AAV
XXX:射频频率,xx=041(40.68MHz)、=68(68MHz)或=80(80MHz)。
YY:射频输出功率 (yy=2-24,W)。
ZZZ:首脉冲抑制方式(zzz=FPS, PPK, R05, A05)。
D:D为数字调制输入;A为模拟调制输入。
C:C为M时是OEM型;C为S时是19寸标准控制盒。
AAV:输入电源直流电源,为12VDC、15VDC或24VDC,出厂时设定。
型号例子:SQDM041-20DC-FPS-15V,41MHz OEM型射频电源,输出20W,数字调制输入,带首脉冲抑止,要求输入直流电源15V。
STZ系列Q驱的射频工作频率有41MHz和80MHz两种。驱动器带驻波检测及保护功能,此功能可对空载和短路提供充分的保护,同时电缆和负载异常使驻波比严重异常时也可启动保护,确保驱动器的安全,另外保护具有自恢复能力,即当导致驻波保护启动的因素排除时(如电缆接触不良到可靠连接时)驱动自动恢复正常工作状态,不需掉电重启,这对故障排除具有重要意义。

本驱动器总共有5个可调节旋钮,分别标记为Prf、Pulse Width、FPS Window、FPS Slope、FPS Start,其功能如下:
Prf:最大输出功率调节,顺时针调节功率增加、逆时针调节功率减少,可调节范围0~20W±10%
Pulse Width:TTL_Fixed宽度设定,顺时针调节出光时间增加、逆时针调节出光时间减少,可调节范围0.8us~25us±10%(仅DB9第3脚定义为TTL_Fixed时有效)
FPS Window:FPS窗口时间调节,顺时针调节FPS时间增加、逆时针调节FPS时间减少,可调节范围20us~350us±10%
FPS Slope: FPS三角波斜率调节,顺时针调节斜率增加、逆时针调节斜率减小
FPS Start:FPS起始电平调节,顺时针调节起始电平增加、逆时针调节起始电平减小
射频输出有多钟模式,方便客户使用:
模式1A:纯数字模式、上升沿及高电平出光,不出光期射频固定。
模式1B:纯数字模式、下降沿及低电平出光,不出光期射频固定。
模式1C:射频功率可调纯数字模式、上升沿及高电平出光,不出光期射频由ANALOG电压决定)。
模式1D:射频功率可调纯数字模式、下降沿及低电平出光,不出光期射频由ANALOG电压决定。

模式2A:FPS模式、上升沿及高电平出光、不出光期射频为最大、FPS窗口期出光射频由内部三角波决定,非FPS窗口期出光射频为0 。
模式2B:FPS模式、下降沿及低电平出光、不出光期射频为最大、FPS窗口期出光射频由内部三角波决定,非FPS窗口期出光射频为0 。
模式3:纯模拟模式、射频完全由ANALOG控制,ANALOG电压为射频包络线。

模式4A:模数混合模式、上升沿及高电平出光、不出光期射频为最大、出光期射频由ANALOG决定。
模式4B:模数混合模式、下降沿及低电平出光、不出光期射频为最大、出光期射频由ANALOG决定。
模式4C:模数混合模式、上升沿及高电平出光、出光期射频为0、不出光期射频由ANALOG决定。
模式4D(模数混合模式、下降沿及低电平出光、出光期射频为0、不出光期射频由ANALOG决定。
模式5A:FPS模数全混合模式、上升沿及高电平出光、不出光期射频为最大、出光期射频由ANALOG及内部产生的FPS三角波电压共同决定、FPS窗口期ANALOG电压必需为0 。
模式5B:FPS模数全混合模式、下降沿及低电平出光、不出光期射频为最大、出光期射频由ANALOG决定、FPS窗口期ANALOG电压必需为0。


主要技术参数:
电源额定输入电压15~24V(允许电压范围14.5~24.5VDC),纹波≤100mV
FPS、TTL_Fixed、TTL_Varibale输入阻抗10KΩ±10%
ANALOG输入阻抗10KΩ±10%
FPS、TTL_Fixed、TTL_Varibale低电平电压范围-0.5~0.8V, 高电平电压范围2.5~5V
ANALOG输入电压范围0~5V
FPS输入宽度1~350uS,FPS输入宽度为1~20uS时,FPS窗口期由FPS Window旋钮决定,否则由FPS及FPS Window时间长的决定(可将FPS Window调到最小,用FPS信号直接控制窗口时间或将FPS信号设置小于20uS,用FPS Window旋钮控制窗口时间两种模式)
TTL_Fixed输入宽度范围50ns~TTL_Fixed周期-500ns
TTL_Variable有效输入范围500ns~TTL_Variable周期-500ns(2脚如接地指低电平范围)
TTL_Fixed输出宽度范围0.8us~25us±10%,由Pulse Width旋钮决定
最短射频工作时间500ns
最短出光时间500ns
射频下降沿时间< 20ns(仅纯数字模式及其它模式的纯数字期间,其它情况由模拟信号决定)
FPS窗口期范围20~350us±10%,由FPS信号宽度及FPS Window旋钮共同决定
最大射频输出功率Pmax=20W±10%,最大输入功率45W±10%
输出功率范围0~Pmax,由Prf旋钮决定
外形尺寸:100x70x25mm
型号说明: STZxxx-yyD-zzz
XXX:射频频率,xx=041(40.68MHz)、或=80(80MHz)。
YY:射频输出功率 (yy=2-20,W)。
ZZZ:首脉冲抑制方式(zzz=FPS, TTLF或TTLV)。
D:D为数字调制输入;A为模拟调制输入。