射频电源是用于对声光器件内晶体产生射频信号。光束被调制、偏转或调谐的程度是由射频信号的频率和强度来决定的。我们提供各种优化的模拟和数字控制的高频电源。我们也可以为客户定制电源,如有需要请与我们联系。
射频电源通常由射频振荡器、调制电路和产生射频信号驱动声光器件的功率放大器组成。声光调制器内的传感器利用压电效应精确地将射频信号以固定或可变频率转换为晶体介质光学材料中的声波。声光器件和射频电源配套使用,用来优化速度和稳定的应用。一些附加的特定应用还有第一脉冲抑制、同步、脉冲整形或多通道运作。随着我们声光产品线的扩展,我们正在开发更多功能的射频电源,如具有双模拟/数字操作和带触发器和温控等配置。另外,我们的OEM设计则针对每个用户的应用进行优化,最大程度地提高客户所需产品的性能。
如何选择射频电源
声光器件的需求将决定射频驱动器的选择。虽然速度、占空比和一些特殊功能很重要,但选择射频电源考虑的主要因素如下:
射频功率:150W内(根据声光器件要求的最佳驱动功率来定)
调制:数字或摸拟
驱动频率:固定、可变的(线性扫描)或可编程的
稳定度:频率不固定时,VCO与DDS影响选择
通道数:输出端口数或单个信号端口的输出音质数
特殊功能:脉冲抑制、同步等。
调制:数字与模拟
调制模式决定了所应用的射频功率如何变化,从而决定了衍射光的强度。在数字调制中,射频功率通过TTL信来控制开/关状态,从而控制光束是否衍射。在模拟调制中,通过在指定范围内施加电压来控制射频功率,从而产生对衍射效率的控制,并及时形成波形。
固定频率与可变频率电源:固定频率电源提供与声光器件匹配的单个输出频率。我们提供频率在24-440MHz的固定频率电源通常用于调制,可通过模拟或TTL输入控制,还有些电源带有手动可调输出射频功率。可变频率和可编程频率射频电源可主动控制输出频率。压控振荡器(VCO)提供线性扫描(可变的)射频驱动频率,可灵活的用于任何声光器件。直接数字频率合成(DDS)电源提供可编程频率。可以从一个固定的时钟频率产生随机波形,它是脉冲整形和特殊功能的理想选择。DDS电源是由软件驱动的,可以用界面(GUI)运行,也可以通过计算机驱动程序命令直接控制。我们的高性能多频DDS电源可同时产生多达8个射频通道。
双电源
双电源可将待合成的简单或复杂的数字波形转换为模拟信号,并放大来驱动声光器件。它极大的方便了用户使用;例如,它使电源可提供多个可编程频率或在多个复杂的定制波形之间自由交换。
频率变化与控制
我们提供具有高稳定性和线性度、快速切换时间和高分辨率的直接数字频率合成(DDS)电源。它们能够从一个固定时钟频率产生任意波形,是脉冲整形和特殊功能的理想选择。DDS电源可以在两种模式控制,从GUI或通过驱动程序命令运行:1)随机访问,数字映射到特定频率;2)啁啾模式以频率递增来连续扫描。DDS电源也被称为DFS(数字频率合成器)电源。我们的技术支持团队可为客户选型提供技术支持服务,也可为客户定制OEM产品。
射频电源的应用
声光器件的驱动和控制,包括调制器、偏转器、腔倒空驱动器、光纤耦合调制器、移频器、锁模器、多通道调制器、脉冲选择器、Q开关、可调滤波器。
常用射频电源列表
| 产品型号 | 可兼容的声光器 | 运行频率MHz | 最大射频功率 | 主要特点 |
| 64020-200-2ADMDFS-A | 偏转器、特殊调制器、可调滤波器 | 20-200 | 2.0 W | 可编程频率;单通道DDS |
| 64020-250-1ADMDFS-A | 偏转器、特殊调制器、可调滤波器 | 20-250 | 1.0 W | 可编程频率;单通道DDS |
| 97-02925-32 | 偏转器、可调滤波器 | 20-160 | 0.4 W | 可编程频率;单通道DDS |
| 6000系列电源 | 偏转器、可调滤波器 | 50-450 | 15-20 W | N/A |
| 97-03926-12 | 偏转器、可调滤波器 | 20-160 | 3.2 W | 可编程频率;8通道DDS |
| 97-02910-xx | 光纤Q | 80-200 | 2.5-3.0 W | 固定单频;低功耗 |
| 3307系列电源 | 光纤Q、移频器 | 80-350 | 1-4 W | 固定单频 |
| 3910系列电源 | 光纤Q、移频器、调制器 | 80-350 | 0.5-8.0 W | 固定单频 |
| A35xxx-S-1/50-p4k7u | 光纤Q、移频器、调制器 | 40-300 | 0.5-5.0 W | 固定单频;模拟和数字调制 |
|
MHPXXX-YYADM-A1 旧款31XXX-YYADM |
光纤Q、调制器 | 24-260 | 2-20 W | 固定单频 |
| MCX0XX-Y.YZC-MINx | 移频器、调制器 | 40-80 | 0.5-2.5 W | 固定单频;结构紧凑 |
| HP041-125ADG-A10 | 调制器 | 40.68 | 125 W | 固定单频; Ge 声光器件 |
| HP040-060-150ADG-A10-2X | 调制器 | 40/60 | 2 x75 W | 固定双频;双通道Ge声光器件 |
| 紧凑电功率AOM和声光Q电源 | 调制器、 Q开关 | 24-110 | 2-24 W | 固定单频;结构紧凑,低功率;固定/可变脉冲宽度 |
| MQH0XX-YYDM-ZZZ | 调制器、 Q开关 | 24-80 | 25-100 W | 固定单频;固定/可变脉冲宽度 |
| MQH0XX-YYDM-ZZZ-2S | Q开关 | 24-80 |
25-50W 单通道 |
固定单频;双通道;固定/可变脉冲宽度 |
| SD020-200-5UC-4x1 | 可调滤波器 | 20-200 | 5.0 W | 可编程频率;单通道或多通道DDS |
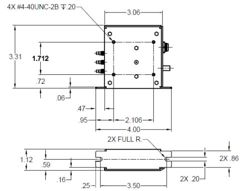
A35xxx系列电源的频率范围从40-350MHz,高达5瓦的输出功率。
最大射频输出功率可通过内部电位器调节。模拟调制电压控制最大可调范围从0%到100%的输出功率。除模拟调制电压外,数字调制控制信号还可以打开和关闭射频电源。下面的操作方案详细说明了两个调制信号的相互作用。模拟和数字调制的特点是最小的开关电流比为65 dB。电源可以在调制频率(模拟和数字)高达25%的载波频率和最大50MHz下运行。通过铝壳来实现最佳的电磁屏蔽和机械保护,底板用于安装和散热。
主要特点
频率范围40-350MHz
射频输出功率 5 Watt
射频开关比 > 65 dB
恒流输出功率设计
可提供调制频率高达50MHz的型号
通过底板传导冷却
体积小,电磁屏蔽
主要应用
用于腔外的快速调制,如激光投影系统
移频
技术参数
| 供电电压 | +24 VDC | |||
| 供电电流 | 常规值 1.5 A @ 5 W 射频功率 | |||
| 输出阻抗 | 50W | |||
| 最大射频功率(可调)* | > 5 W (+37 dBm) | |||
| 可调范围 | < 0.1W …… >5W | |||
| 频率精度 | < ±25 ppm | |||
| 谐波畸变* | < -26 dBc | |||
| 模拟调制** | ||||
| 阻抗 | 50W | |||
| 电压范围 @ 50W | 0 … +1 V | |||
| 射频开关比 | > 65 dB | |||
| 数字调制** | ||||
| 阻抗 | 4.7kΩ (pull-up) | |||
| 电平 |
High = ≥ 3V … 5V (=RF on) Low = 0 … < 2V (=RF off) |
|||
| 射频开关比 | > 100 dB | |||
| 射频输出频率*** [MHz] | 40-< 80 | 80-< 140 | 140-< 200 | 200-350 |
| 模拟调制射频上升/下降时间(PRF: 10…90%)* | < 25ns | < 15ns | < 10ns | < 8ns |
| 数字调制射频上升/下降时间 (PRF:10…90%)* | < 25ns | < 15ns | < 10ns | < 8ns |
* 在50 _负载时
**可定制其他参数
*** 标准频率: 40, 80, 110, 150, 200MHz
连接、尺寸、重量、冷却
| 射频输出连接 | SMA 母头 |
| 输入控制连接 | D-Sub 7W2 |
| Pins 1 和 2,内部连接 | GND |
| Pins 3 和 5,内部连接 | +Vs (24 VDC) |
| Pin 4 | 不连接 |
| Pin A1 (同轴) | 模拟控制 |
| Pin A2 (同轴l) | 数字控制 |
| 尺寸 | 120 x 70 x 35 mm (长x宽x高) |
| 重量 | 360 g |
| 冷却方式 | 传导时,底板必须连接到合适的散热片上,散热片能散热36W。 |
环境条件
| 预热时间 | 10分钟达到最佳稳定性 |
| 底板温度 | +10°C … +60°C. 为了得到输出功率的稳定性,应保持恒定的底板温度。 |
| 储存温度 | -20°C … +70°C, 不结露 |
最大额定值
| 最大供电电压. | +26 VDC |
| 模拟调制 | |
| 电压范围 @ 0 … +1 V | -0.5 V … +1.1 V |
| 数字调制 | |
| 电平 | -0.5 V … +5.5 V |
| 最大运行温度 | +65°C 底板温度 |
质量标准
| EU 2002/95/EC (RoHS) | 符合 |
| EMC 标准 | VDE 0871-B; FCC条款 15-B部分 |
| 热试验 | 2h @ 70°C 热传导 |
| 老化测试 | 30 分钟 @ 最大射频功率输出 |
订购代码列表可根据要求提供其他频率和定制版本。
附件: AOM电源A35xxx的连接件的产品编号是508A00169
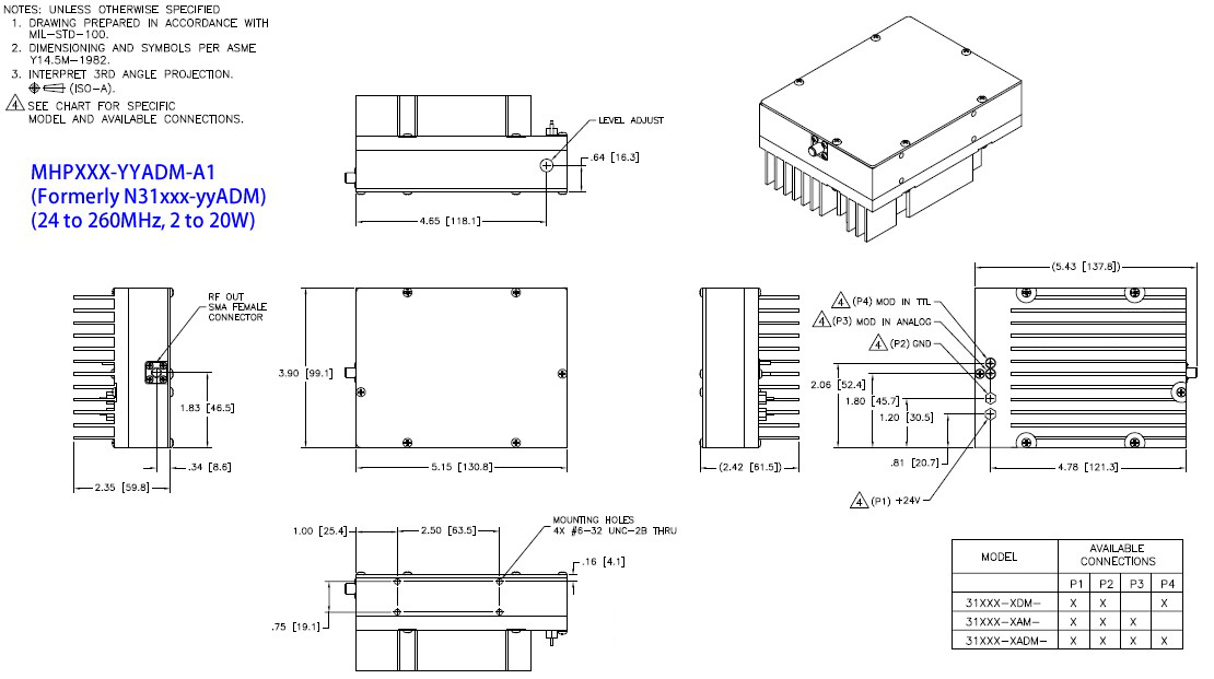
MHPxxx-yyADM-A1系列电源是带有模拟和数字调制的射频电源,在50欧姆负载时输出高达20瓦。
型号说明如下:
xxx=24-260MHz 的固定频率由晶体控制。
yy=2-20W标称值。内部端口设置
A=模拟调制
D=数字调制
M=OEM模块
| 输出频率(xxx) | 24MHz-260MHz ±0.01%石英晶体稳定 |
| 杂散电平 | -40dBc 最大值 |
| 谐波畸变 | -15dBc最大值 |
| 模拟输入 | 0-1V 50Ω (+1V =最大射频功率; 0V = 最小射频功率) |
| 数字输入 | TTL电平(TTL高电平=最大射频功率; TTL低电平=最小射频功率) |
| 消光比 | 40 dB 最小值 |
| 射频上升/下降时间 | 30ns最大值, 20ns 常值l, 10ns >210MHz(PRF: 10-90%) |
| 射频输出功率 (yy) | 2 - 20W 标称值。最大输出功率由内部端口设置 |
| 输出阻抗 | 50Ω标称值 |
| 供电电压 | +24VDC + 0.5V |
| 供电电流 | 3A 最大值 |
| 空气流过散热器 | 18 CFM @25 oC |
| 最大额定值 | |
| 供电电压 | + 28V |
| 输出功率 | 不允许DC反馈 |
| 外壳温度 | + 550C. |
| 连接和机械 | |
| 射频输出连接 | BNC 母头 |
| 调制输入连接 | 穿通销 |
| 电源连接 | Vcc: Vcc穿通销; 返回: 穿通销 |
| 实际尺寸 | 5.43" 长 x 2.42"高 x 3.90"宽 |
3910系列射频电源是2910系列的优化升级的同时可兼容性2910系列。
过去十来年,2910系列射频电源一直是声光调制器应用的主打产品。为了进一步提高和优化这个电源,我们对该条产线进行了改造和升级。3910系列在保持价格实惠的同时改进了所有功能并增加了一些关键功能。
3910系列提供三种可切换调制模式:数字、模拟和数字+模拟。此功能将是所有型号的标准配置。且射频功率从4W增加至8W(在+28Vcc时)。3910系列比它的前身的功耗更小。频率范围增加到500MHz使其可控制现有的所有型号的声光调制器。在频率>250MHz时,上升时间< 4ns。它的另一个新特性是可以将电源与外部参考时钟同步。相较于2910系列3910系列射频电源价格和尺寸没变,但其性能得到显著的提升,如更大的功率、更高的频率,更快的上升时间,调制方式增多的同时还增加了同步功能和最新的电子元件。
主要特点
中心频率高达500MHz
可选调制输入模式
可调射频功率高达8W
上升时间低至4ns
同步外部参考时钟可选
主要优势
技术可靠
高性能
低功耗
运行测试
一年保修
主要应用
微加工
材料加工
激光显示器
打印
外差干涉法
脉冲选择
| 参数 | 性能 |
| 中心频率 | 45 – 500MHz 固定的 |
| 射频输出 | 0.25 – 8.0W 可调 (@+28 V) |
| 输出电压 +Vcc | +24 - +28V |
| 二次谐波电平 | < -20dBc |
| 输出驻波比 | 1.5:1 最大值 |
| 输出波形 | 正弦曲线 |
| 上升 / 下降时间 | 4ns 最大值 (频率 ≥ 250MHz) |
| 对比度 | 50dB 最小值 |
| 模拟输入电压 | 0 – 1V |
| 模拟输入阻抗 | 50 Ω |
| 数字输入电压 | 标准TTL电平 |
| 数字输入阻抗 | 10kΩ |
| 频率稳定性 | +/-1.5 ppm 过温 |
| 频率精度 | +/-1% |
| 温控 | 传导冷却散热 |
| 运行温度范围 | 10°C - 60°C |
| 外形尺寸 | 101.6x28.4x84mm |
选型代码:
型号R64020-200-2ADMDFS-A是一个带模拟和数字调制输入的数字频率合成器的OEM模块和2W射频输出电源。交付产品是按照欧盟减少有害物质条款2002/95/EC的要求来生产的。
| 参数 | 规格 |
| 频宽 | 20 – 200MHz常规 |
| 时钟频率 | 1000MHz |
| 步长: | < 1Hz 30位 输入 |
| 频率切换时间 | 250ns 最大值 |
| 输出功率 | 2W 常规 |
| 谐波畸变 | 2nd:-20dBc 最大值; 3rd: -15dBc 最大值 |
| 模拟调制 | 模拟0 to +1V 50Ω, +1V = 满射频功率输出 |
| 数字调制 | 1) TTL电平; 2) TTL 高电平 =满射频功率输出; 3) TTL 低电平 =最小射频功率输出; 4) 无信号 =满射频功率输出(内部拉高) |
| 上升和下降时间 | 20ns |
| 消光比:数字/模拟 | 30dB 最小值 / 40dB 最小值 |
| 参考输出 | 合成器未调制输出的参考信号。+ 0 dBm (标称值) |
| 应用功率 | + 28V DC @ 1A 最大值; + 3.3V DC @ 1A 最大值 |
| 环境温度 | 400 oC |
| 射频输出 | 无 DC反馈 |
| 供电电压 | 30V DC; 3.5V DC |
| 输入/输出连接: | |
| +28V, +3.3V,和 Gnd | 过滤式馈通 |
| 模式输入 | SMC 公头 |
| 参考输出 | SMC 公头 |
| 射频输出 | SMA母头 |
| “频率选择”控制 | 二进制30位TTL、数字调制输入、复位,通过D型37针连接端子的锁存控制输入。 |
| 尺寸 | 140x109x40.6mm |
*注:(1)本系统仅使用30位设置电源的频率输出。芯片内部的累加器是31位的,所以在计算中使用231位来提高精度。(2) 锁存功能(16脚)是一个TTL兼容输入,用于将新的频率信息加载到电源中。当锁销上的信号从高到低(下降沿)时频率数据被加载到电源中。(3) 主复位是TTL的高电平,当累加器复位为零,即无频率输出。
当施加TTL高电平到引脚17时。这是通过1 kΩ电阻器来拉低通过。
型号R64020-250-1ADMDFS-A是一个带模拟和数字调制输入的数字频率合成器的OEM模块和1W射频输出电源。此电源可用于产生频率啁啾。交付产品是按照欧盟减少有害物质条款2002/95/EC的要求来生产的。
| 参数 | 规格 |
| 频宽 | 20 – 250MHz 常规 |
| 时钟频率 | 1000MHz |
| 步长: | < 1 Hz 30 位输入 |
| 频率切换时间 | 310ns 最大值 |
| 输出功率 | 1W常规 |
| 谐波畸变 | 二级:-20 dBc 最大值; 三级: -15 dBc 最大值 |
| 模拟调制 | 模拟0至 +1V, 50Ω, +1V = 最大射频功率输出 |
| 数字调制 | 1) TTL 电平; 2) TTL高电平 =最大射频功率输出; 3) TTL 低电平 =最小射频功率输出; 4) 无信号l =最大射频功率输出(内部拉高) |
| 上升和下降时间 | 20ns |
| 消光比:数字 / 模拟 | 30 dB 最小值 / 40 dB 最小值 |
| 参考输出 | 合成器未调制输出的参考信号。+ 0 dBm (标称值) |
| 应用功率 | + 28V DC @ 1A最大值;+ 3.3V DC @ 1A 最大值 |
| 最大额定值 | |
| 环境温度 | 400 C |
| 射频输出 | 无 DC反馈 |
| 供电电压 | |
| 输入/输出连接: | 过滤式馈通 |
| +28V, +3.3V,和 Gnd | SMC 公头 |
| 模式输入 | SMC 公头 |
| 参考输出 | SMA 母头 |
| 射频输出 | 二进制30位TTL、数字调制输入、复位,通过D型37针连接端子的锁存控制输入。 |
| “频率选择”控制 | 140x109x40.6mm |
控制字码计算
输出频率和步长是时钟频率和频率选择(FS)数据的函数。输出频率可由以下公式计算:FS[29:0] = Fout (231) / 1000MHz
其中Fou是输出频率,单位为MHz
锁存功能(引脚16)是一个TTL兼容输入,用于将新的频率信息加载到电源中。当锁销上的信号从高到低(下降沿)时,频率数据被加载到电源中。
增量频率锁存功能(引脚36)是一个TTL兼容输入,用于将新的数据频率信息加载到电源器中。对于差频Delta frequency word,使用与输出频率相同的计算,在下降沿上加载两个补码数据中输入负值。
主复位是TTL高电平,当施加TTL高电平到引脚17时,将累加器复位为零,即无频率输出。这是通过1 KΩ电阻器来拉低通过。
主要特点
主板输出功率测量
线性调幅、消隐、移频键控、RS232控制
鲁棒性指令设置
内置网络协议(即点对点协议PPP、链路控制协议LCP )
密码认证协议PAP、互联网控制消息协议等
控制:RS232。
主要参数
| 型号 | 160T1-1SNR-12-0.4J |
| 频率参数 | |
| 频率范围 | 20-160MHz |
| 频率分辨率(1) | 0.1Hz |
| 频率稳定性 | +/-2 ppm/deg C |
| 频率预加载时间(2) | < 10us |
| 频率切换时间(3) | < 20ns |
| 振幅参数 | |
| 射频输出功率 (4) | 0.4W |
| 射频输出增益调整(5) | 30dB |
| 调制频宽 (6) | >2MHz |
| 动态范围(7) | >40dB |
| 互相调制 (8) | >40dB |
| 杂散 | >30dBc |
| 信噪比(9) | >90dB |
| 接口 | |
| 射频输出阻抗 | 50Ω |
| 调幅输入电平 | 0-10V |
| FSK调制输入电平 | 3.3V |
| 消隐输入电平 | 3.3V |
| 数字控制 | ASCII |
| 传感器输入 | +/-3.3V |
| 直流电源输入 | 12V@1A |
| 尺寸 | 165x132x25mm |
备注:
实际为 0.0931 Hz, 将选择最接近设定频率的近似值.
通常为 1-10μs, 每个频率需要32位,外加一个起始RAM地址。
3个独立预加载的预设频率
最大输出增益调整
恒定信噪比下的线性分贝
在-3dB点测量,直流耦合
20-160MHz, ,从1dB压缩点到最小可实现的输出。
2 音节测试, 100MHz + 105MHz, 每个125mW 输出
1MHz 测量频宽 , 125mW 音节参考。
主要特点
8 通道,复合输出。
主板输出功率测量
每个通道都能独立的线性幅度调制
所有通道通用消隐信号
每个通道都有独立的移频调制
鲁棒性指令设置
内置网络协议(即点对点协议PPP、链路控制协议LCP、密码认证协议PAP、互联网控制消息协议等)
控制:RS232。
主要参数
| 型号 | 160T2-8SAR-24-3.2B |
| 频率参数 | |
| 频率范围 | 20-160MHz |
| 频率分辨率(1) | 0.1Hz |
| 频率稳定性 | +/-2 ppm/deg C |
| 频率预加载时间(2) | < 8us |
| 频率切换时间(3) | < 80ns |
| 振幅参数 | |
| 射频输出功率 (4) | 3.2W |
| 射频输出增益调整(5) | 0.4W |
| 调制频宽 (6) | >2MHz |
| 动态范围(7) | >35dB |
| 互相调制 (8) | >41dB |
| 杂散 | >45dBc |
| 信噪比(9) | >75dB |
| 接口 | |
| 射频输出阻抗 | 50Ω |
| 调幅输入电平 | 0-10V |
| FSK调制输入电平 | 3.3V |
| 消隐输入电平 | 3.3V |
| 数字控制 | ASCII |
| 传感器输入 | +/-3.3V |
| 直流电源输入 | 24V@2A |
| 外形尺寸 | 165x132x25mm |
备注:
实际为 0.0931Hz, 将选择最接近设定频率的近似值.
通常为 1-8μs, 每个频率需要32位,外加一个起始RAM地址。
三个预设频率模式可直接切换,3个独立预加载的预设频率
在-3dB点测量,直流耦合
20-160MHz
2 音节测试, 100MHz + 105MHz, 每个125mW 输出。
1MHz 测量频宽 , 125mW 音节参考。
15W输出 – 配置操作
我们的15W输出射频电源提供两个独立的射频通道并带有速并行接口和USB控制。该电源非常适合于控制二元相控阵声光光束偏转器(MUX模式),也可用于驱动两个用于二维扫描的单一声光光束偏转器(双通道模式)。6000电源能更好的控制声光可调滤波器(多音模式)。其任意波形回放功能使 多个波长可与可调滤波器同时衍射,光束偏转器也可产生多个光斑。
具有快速并行频率编程接口的两个独立的15W射频放大器封装在一起。可通过用户界面设置口令控制也可通过附带的USB接口进行远程控制。后面板上带有双振幅和相对相位控制输入的并行接口连接器。功能包括动态频率啁啾控制。全数字选项允许对频率、振幅和相位进行高速编程。开机默认为独立模式,不需要PC控制;连接USB连接可启用主机PC模式。我们也提供单通道版本。
6000电源有三个频段,每个频段都包括20-450MHz频段监控输出。其功能可以通过USB接口重新配置。
主要特点
两个15W独立射频输出
频率编程的并行接口
定制波形的回放功能
USB接口和压缩指令设置
20-450MHz,三个频段:(1)低频段20-150MHz;(2)中频段40-245MHz;(3)高频段140-450MHz
重新配置功能
定制波形的回放功能
幅度和相位调制
主要优势
双射频输出
主机控制或快速接口
功能重新配置
主要应用
OEM AODF/AOTF系统
钻孔/微加工系统
光学检查系统
| 参数 | 最小值 | 最大值 | 单位 |
|
输出频率范围: 低频段 中频段 高频段 |
20 40 140 |
150 245 450 |
MHz |
| 额定射频输出功率(1)(9) | 15 | W | |
| 射频功率平坦度(2) 跨过频带,额定功率 | +/-0.5 | dB | |
| 额定射频输出功率下的二次谐波畸变 | -25 | dBc | |
| 非谐波无杂散动态范围 | -50 | dBc | |
| 标准输出波形(3) | Sinusoid | n/a | |
| 独立射频输出 | 2 | n/a | |
| 每个输出的可编程音节数 | 5 | n/a | |
| 频率分辨率(5) | 1 | kHz | |
| 频率稳定性, 15°C - 50°C环境温度 | +/-0.5 | ppm | |
| 锁存信号关闭后的频率稳定时间(6) | 200 | nS | |
| 频率更新率(并行接口) | 25 | MHz | |
| 每个输出通道的振幅控制(模拟输入)范围, (7) | 40 | dB | |
| 振幅消隐 | 80 | dB | |
| 相对相位控制(模拟输入)范围 (8) | 0 | +/-180 | Deg. |
| 幅度/相位控制调制频宽 | 25 | MHz | |
| 直流电压输入范围(9) | 24 | 28 | V |
| 系统直流总功率 | 100 | W | |
| 回放功能波形文件大小(1 GHz时钟/输出 ) | 300k | Samples | |
| 工作温度范围(环境温度) | 15 | 50 | °C |
| 外形尺寸 | 7.27x4.98x1.65 | Inch |
在周围环境为22°C时的所有参数
额定放大器输出电平,需要足够的散热。详情请与我们联系。
工厂内部设置功率平面度。用户可以通过USB接口加载补偿陈列。
默认输出波形为正弦。在回放模式下加载用户定义的波形。
每个输出端口1个频率音节的标准固件构建。
频率调谐字节(FTW)为20位。
从锁存信号关闭到射频输出出现新频率(接口处预装FTW)的总延迟时间。
输出功率与输入控制电压成线性关系。
设置2#输出相位对于1#输出相位,仅为两个输出上相同的编程频率定义。
28VDC额定输出功率。
命令设定 (通过USB接口的主机PC模式)
| 指令 | 行动 |
| Freq X, YYY | 设置通道X(1或2)上的输出频率YYY(MHz) |
| Amp X, YY | 设置通道X(1或2)上的输出功率YY(00–99) |
| Pha YYY | 将相对相位设置为YYY(0到360度)S |
| Latch X | 通道X的锁存命令,锁存预加载的FTW |
| 软启动 | 允许USB控制输出功率水平 |
| 软关机 | 将系统还原为硬件模式,需要模拟幅度控制 |
| 接口定义 | 连接 | 电平 | 输入 /输出 分配 |
| 并行接口, Ch #1, #2 | MDR mini-D 68 pin (x2) | TTL | 频率 [19:0], 备用 (5), latch输入 (1), 触发输入 (1), 空 (1), 同步信号 (1), 状态输出 (1) |
| 调幅输入 | SMB (x2) | 0–1V | Ch #1, Ch #2 |
| 相位调制输入 | SMB (x1) | 0–1V | 通道间相对相位 |
| USB | USB mini-B | USB | USB 2.0 |
| 主要射频输出 | SMA (x2) | 射频输出 | 主路射频输出端 |
| 射频输出 | SMA (x2) | 辅路输出 | 辅路射频输出端 20-450MHz |
| 主直流电源输入 | 2mm 电源插座 | 24–28 VDC | 直流电源输入 |
HP041-125ADADG-A10射频电源在频率为40.68MHz时输出功率高达125W。此电源驱动器可在高达1MHz的调制频率(模拟和数字)下工作。操作手册上详细说明了两个调制信号的相互作用。为防止腐蚀所有的水冷部件由铜制成。此电源是通过铝制外壳和导电钝化来实现电磁屏蔽和机械保护的。本产品符合欧盟的2011/65/EU号欧盟指令的要求即限制在电气和电子设备中使用某些有害物质的。
主要特点
射频输出功率高达125W
铜制水冷通道
恒定输出功率设计
高SWR和过热保护
全屏蔽紧凑型外壳
主要应用
工业(材料加工)
PCB 钻孔
打标和切割
导光板加工
微穿孔
| 设备 | 声光调制器 |
| 供电电压 | +24 |
| 供电电流 | 最大值. 12.5 @ 125W输出功率 |
|
最大射频输出功率(可调)* 调整范围 |
> 15W/mm2 < 1 … >125W |
| 输出阻抗 | 50Ω |
| 频率精度 | < ±30ppm |
| 射频开关比 | > 50dB |
|
模拟调制阻抗 电压范围@50Ω电压范围 电位器预调最大射频输出功率的0%至100%。 |
600Ω 0 … +10 |
|
数字调制阻抗 电平 |
4.7kΩ (pull-up) High=≥ 3 … 5 (= RF on); Low=0 … < 2 (=RF off) |
| 最大调制频率(数字和模拟) | 1 [MHz] |
| 射频输出频率 | 40.68 [MHz] |
| 谐波畸变* | < -30 [dBc] |
| 模拟调制射频上升/下降时间 (10 90%) * | < 80 [ns] |
| 模拟调制射频上升/下降时间(10 … 90%) * | < 80 [ns] |
* 50 Ω 负载时
连接、制冷、 尺寸、重量
| 射频输出连接 | BNC 母头 |
| 控制连接 | D-Sub 25-pole, 线头用于针脚分配,请参阅“控制接头”章节 |
|
电源线 红色(或黄色) 黑色(或紫色) |
2x750±50mm H07-K 1.5mm2 +Vs (24VDC) CGND (外壳接地) |
| 冷却流速 | 水冷;冷却块材料:铜,2 x G 1/4''螺纹,配有6mm推入式连接器;温度低于25°C时超过1升/分钟 |
| 尺寸 [mm] | 200 x 100 x 52.5 (长 x宽 x高) |
| 重量 | 1470g |
环境条件
预热时间:10分钟,获得最佳稳定性
操作箱温度:< +50°C,安全停机≈55°C
储存温度:-20°C…+65°C,无冷凝
绝对最大额定值
最大供电电压:+26 VDC
模拟调制电压范围@0…+10V:-0.5V…+11V
数字调制电平:-0.5 V…+5.5 V
最高工作温度:+55°C散热器/底板温度
控制连接器
D-Sub 25极*内螺纹,引脚分配
除非另有说明,否则所有信号均为机壳接地(CGND)。
Pin1 RF ON状态(out);Pin2 SWR故障指示(out);Pin3电源温度故障指示(out);Pin4复位SWR故障/初始化(in);Pin5联锁2故障指示(out);Pin6联锁2(in);Pin7联锁1(in);Pin8联锁1故障指示(out);Pin9电源温度监控(out);Pin10调制接地(MGND);Pin11模拟调制2(参考MGND);Pin12模拟调制1(参考MGND);Pin13功率电平选择(参考MGND);低→选择模拟模式。1、 高→选择模拟模式。2、 Pin14…22底盘接地(CGND);Pin23…24调制接地(MGND);插脚25未连接
HP040-060-150ADG-A10-2X电源可输出高达150W组合功率,是驱动双频的锗声光调制器。此电源可在调制频率(模拟和数字)高达1MHz(用于射频幅度控制)和高达5MHz(用于驱动频率控制)的情况下工作,为防止腐蚀所有的水冷部件由铜制成。此电源是通过铝制外壳和导电钝化来实现电磁屏蔽和机械保护的。
本产品符合欧盟的2011/65/EU号欧盟指令的要求即限制在电气和电子设备中使用某些有害物质的。
主要特点
射频输出功率高达150W
铜制水冷通道
恒定输出功率设计
高SWR和过热保护
全屏蔽紧凑型外壳
主要应用
工业(材料加工)
PCB 钻孔
打标和切割
微穿孔
| 供电电压 | +24 VDC |
| 供电电流 | 15A @ 150W 射频输出功率 |
| 通道数 | 2 |
|
最大射频输出功率(可调)* 调整范围 |
> 75W 单通道 < 1 … >75W 单通道 |
| 输出阻抗 | 50Ω |
| 射频输出频率 | 40MHz 和 60MHz开关转换 |
| 频率精度 | < ±50ppm |
| 频率稳定性 | < ±50ppm |
| 消光比 | > 40dB |
| 谐波畸变* | < -26dBc @ 75W/通道 |
| 杂散电平* | < -50dBc |
|
模拟调制 阻抗 电压范围@50Ω电压范围 对应于电位器预调的最大射频输出功率0%至100%。 |
600Ω 0 … +10 (0…+5可选) |
|
数字/频率调制 阻抗水平 |
4.7kΩ (上拉) TTL兼容的(V_ IL= 0.8V, V_IH = 2.0);高逻辑 = RF On / 40MHz; 低逻辑= RF Off / 60MHz |
|
最大调制频率 (振幅-数字和模拟) (驱动频率) |
1MHz 5MHz |
|
数字/模拟调制 射频上升时间/下降时间(10…90%) |
< 100ns |
* 50Ω 负载时
连接、制冷、 尺寸、重量
| 射频输出连接 | 2个BNC 母头 |
| 控制连接 | D-Sub 15-pole, 公头用于针脚分配,请参阅“控制接头”章节 |
| 电源连接 | 一次:Molex 03-09-2021;配合:Molex 03-09-1022(外壳),02-09-1104(压接触点);二次:焊接式连接器或引脚极性分配参见“输入连接器”章节 |
| 冷却 | 水冷;冷却块材料:铜,2 x G 1/4''螺纹,配有6mm推入式连接器 |
| 冷却压力 | < 100psi(6.9bar) |
| 流量 | 250C ± 100C时超过2升/分钟 |
| 尺寸 [mm] | 240 x 110 x1235 (长 x宽 x高) |
| 重量 | 4kg |
固定频率射频驱动器配置:
| 型号 | STBR-FF -XX-B1-FY | STBR-FF -XX-B2-FY | STBR-FF -XX-B3-FY |
| 输出频率 | XXMHz (与声光调制器兼容) | ||
| 频率控制 | 锁相环路石英晶体 | ||
| 频率精度 | 0.015 | ||
| 谐波内容(dBc) | < =-20 | ||
| 频率稳定性 | 预热15分钟后0.0015% | ||
| 输出功率 | 利用所配型的声光调器优化功率以达到峰值效率 | ||
| 输出保护 |
使用功率放大器可以承受无限的驻波比 在正确连接的射频负载时,额定功率才可用 |
||
| 内部脉冲发生器 | N/A | 脉宽: 100 to 500ns ± 10% 可调;脉冲发生器,可调重复频率5000Hz至100Hz。前面板开关用于脉冲/后备操作。 | |
| 上升/下降时间 | 符合声光调制器要求 | ||
| 调制类型 | 模拟调幅 | TTL 兼容 | 脉冲调制,通过前面板BNC连接器输出脉冲监控 |
| 调制速率 | 匹配设备要求 | ||
| 调制输入 | 50Ω 0-1V | 330Ω; 0-5V | 内部和外部触发 |
| 运行功率 | 90-250VAC, 50-60Hz, 55W 最大值 | ||
| 外壳 | 该装置将包装在一个190mm(7.5英寸)宽90mm(4英寸)高220,(8.75英寸)深的仪器箱中。后面板散热器宽度增加到240mm(9.75英寸)。尺寸不包括连接器。 | ||
| 环境 | 标准实验室条件:最高温度为+35摄氏度。该装置没有防潮或防冷凝密封 | ||
变频射频电源配置
| 型号 | STBR-VFB-XX-YY-V-A-F2 | STBR-VFE-XX—YY-V-A-F2 |
| 输出频率范围 | 对应声光调制器的要求 | 匹配2-D AOD的外调谐电压控制 |
| 调谐电压 | 0 - 10V 模拟 (-2 - +20VDC无损) | |
| 频率精度 | 15分钟预热后为1%, 恒温 | |
| 扫描速度 | 50us从最小频率到最大频率带调谐电压阶跃变化 | |
| 输出功率 | 利用所配型的声光调器优化功率以达到峰值效率 | |
| 调制类型 | 模拟振幅或TTL兼容(可选) | 模拟振幅;DC-10MHz/单通道 |
| 调制输入 | 50Ω; 0-1V 或330Ω; 0-5V | 50Ω; 0-1V |
| 运行功率 | 90-240 VAC, +-25%, 50-60Hz | |
| 外壳 | 该装置将包装在一个240mm(9.75英寸)宽90mm(4英寸)高220,(8.75英寸)深的仪器箱中。后面板散热器宽度增加到240mm(9.75英寸)。尺寸不包括连接器。 | |
| 环境 | 标准实验室条件:最高温度为+35摄氏度。该装置没有防潮或防冷凝密封 | |

STQDP系列声光调制器驱动器为全新设计,是一款中低功率的射频驱动器,适用于驱动皮秒等短脉冲激光器挑选脉冲(降频)的声光调制器开关,当然也可以用于其他射频领域。完全自主创新的产品,和其他产品相比,突出可靠性和性价比,结构紧凑,射频输出稳定,抗干扰能力强,可靠性高,是声光调制器开关的理想驱动源。
| 型号 | STQDPxxx-yyW-zzV-a |
| 输出频率 | 200 MHz |
| 输入调整信号电平 | -D 型号: TTL,输入阻抗 75Ω -A 型号: ANALOG,0-1V 输入,输入阻抗 51Ω -A5 型号: ANALOG,0-5V 输入,输入阻抗 51Ω -AD 同时接受 TTL 和 ANALOG 信号(0-1V)。 |
| RF上升/下降时间 | ≤10 ns |
| RF输出功率 | 电位器可调,最高功率5W |
| RF输出阻抗 | 50Ω |
| 供电电压 | 12V、15V可选 |
| 供电电流 | <1.5A,依额定功率而变 |
| 工作温度条件 | 热沉温度应介于10°~ 55°,驱动器的热沉面必须装于一个散热面,或散热器上,且此散热面或散热器必须有20W的散热能力。 |
| 储存温度 | -20°~ +85 |
| 外型尺寸 | 95*75*25mm,可提供更小尺寸:49*68*22mm |
订购信息: STQDPxxx-yyW-zzV-a
例如: STQDP200-2.5W-15V-D,即输出频率200MHz,额定输出 功率2.5W, 15V供电,出厂默认接口为数字接口。